legines.com
105L stalowa rurka długa nić

105L stalowa rurka długa nić

Funkcje produktu:
■■ Cała mosiężna konstrukcja
■■ UL wymienione dla łatwopalnych cieczy i gazu
■■ Spełnia wymagania funkcjonalne SAE J512
■■ Nutę stalową dla ekonomii

Rynki: Aplikacje:
■■ Klimatyzacja ■■ Linie czynników chłodniczych
■■ Morski ■■ Linie hamulcowe
■■ Przenośny ■■ Przewody paliwowe
■■ Silniki

Kompatybilne rurki:
■■ Miedź
■■ Mosiądz
■■ Aluminium
■■ Spawana stalowa rurka hydrauliczna

Część odniesienia nr:

Skontaktuj się z nami

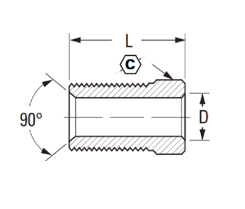
Specyfikacje

CZĘŚĆ#

Tube O.D

C

D

L

105L-3

3/16 3/8 .196

.844

105L-4

1/4 7/16 .257 .812

Jest to mosiężna konstrukcja, długa nakrętka gwintowa do rurki do 1/4 "O.D. Materiał. Posiada UL wymieniony dla łatwopalnych cieczy i gazu, spełnia wymagania funkcjonalne standardów SAE J512 i UL 923/UL 181 i jest zgodny z FMVSS 135 i FMVSS 302 specyfikacje specyfikacji 302
Szukasz nakrętek rur ze stali nierdzewnej? Ta lista jest dla Ciebie! Długa nakrętka gwintowa rurki ze stali nierdzewnej 105L jest doskonałym ulepszeniem do twojego systemu hydraulicznego, który jest zbudowany ze wszystkich mosiężnych konstrukcji i spełnia wymagania funkcjonalne SAE J512. Jest w wielu rozmiarach, więc sprawdź je.

Kontakt z nami

O Legines

Legines Industrial Machinery Inc.

Jako profesjonalni producenci wyposażenia z mosiądzu China i dostawcy wyposażenia. Przyjmuje pełną obróbkę CNC i jest właścicielem warsztatów o powierzchni 3600 metrów kwadratowych. 45 Automatyczne narzędzia maszynowe, 35 półautomatycznych narzędzi CNC, a także dystrybutorzy, którzy stali się ważnymi dostawcami do produkcji amerykańskich standardowych części mosiężnych w Chinach ...
  • honor
  • honor

INSTRUKCJE I wiadomości