legines.com
302 mosiężna linia hamulca

302 mosiężna linia hamulca

Funkcje produktu:
■■ Cała mosiężna konstrukcja
■■ UL wymienione dla łatwopalnych cieczy i gazu
■■ Spełnia wymagania funkcjonalne SAE J512
■■ Nutę stalową dla ekonomii

Rynki: Aplikacje:
■■ Klimatyzacja ■■ Linie czynników chłodniczych
■■ Morski ■■ Linie hamulcowe
■■ Przenośny ■■ Przewody paliwowe
■■ Silniki

Kompatybilne rurki:
■■ Miedź
■■ Mosiądz
■■ Aluminium
■■ Spawana stalowa rurka hydrauliczna

Część odniesienia nr:
302 -2300 -42ifhd

Skontaktuj się z nami

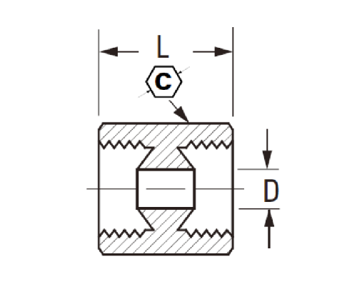
Specyfikacje

CZĘŚĆ#

Inv.flare × Inv.Flare

C

D

L

302-2

1/8 13/32 .78

.59

302-3

3/16 15/32 .125

.62

302-4 1/4 17/32 .188 .62

302-5

5/16 19/32 .219 .70

302-6

3/8 3/4 .281 .80
302-8 1/2

29/32

.406

.91

*Ref.sae nr 040101 ba

To dopasowanie związkowe jest używane do wszystkich rodzajów zastosowań, takich jak linie klimatyzacyjne, linie czynników chłodniczych, morskie, mobilne przewody paliwowe, silniki i transmisje. Składa się z mosiężnej konstrukcji i ma stalowe orzechy ekonomiczne.
Elastyczna elastyczna linia z serii 302 służy do łączenia odcinków rur z płaską. Seria 302 jest idealna dla linii hamulcowych, linii paliwowych i linie chłodniczej. Stalowa nakrętka służy do zabezpieczenia unii linii na miejscu. Seria 302 jest przeznaczona do użytku z miedzianymi i aluminiowymi rurkami.
To mosiężne dopasowanie Unii pozwala szybko i niezawodnie łączyć sekcje rur. Jest wykonany z mosiądzu, który jest odporny na ciepło i wolny od korozji. Jest łatwy do zainstalowania, dzięki swojej gumowej uszczelki Norprene, która zapewnia ciasne uszczelnienie między złączami końcowymi, zmniejszając wycieki lub wycieki. Związek jest kompatybilny z rurkami wykonanymi z miedzi, mosiądzu lub aluminium.
Związek ten stanowi środki na połączenie dwóch kawałków rur. Główne ciało wykonane jest z mosiądzu ze stalowym orzechem dla ekonomii. Wlot złoża, który jest wtargany w jedną rurkę, mieści się w rowku w korpusie dopasowania Unii i spędzi się na mosiężnym płomieniu. Druga rurka przechodzi przez zewnętrzny rowek, który ma być bezpiecznie przymocowany przez wewnętrzną szpilkę, którą można również umieścić we własnym rowku.

Kontakt z nami

O Legines

Legines Industrial Machinery Inc.

Jako profesjonalni producenci wyposażenia z mosiądzu China i dostawcy wyposażenia. Przyjmuje pełną obróbkę CNC i jest właścicielem warsztatów o powierzchni 3600 metrów kwadratowych. 45 Automatyczne narzędzia maszynowe, 35 półautomatycznych narzędzi CNC, a także dystrybutorzy, którzy stali się ważnymi dostawcami do produkcji amerykańskich standardowych części mosiężnych w Chinach ...
  • honor
  • honor

INSTRUKCJE I wiadomości