legines.com
131 stalowa odwrócona wtyczka linii hamulcowej

131 stalowa odwrócona wtyczka linii hamulcowej

Funkcje produktu:
■■ Cała mosiężna konstrukcja
■■ UL wymienione dla łatwopalnych cieczy i gazu
■■ Spełnia wymagania funkcjonalne SAE J512
■■ Nutę stalową dla ekonomii

Rynki: Aplikacje:
■■ Klimatyzacja ■■ Linie czynników chłodniczych
■■ Morski ■■ Linie hamulcowe
■■ Przenośny ■■ Przewody paliwowe
■■ Silniki

Kompatybilne rurki:
■■ Miedź
■■ Mosiądz
■■ Aluminium
■■ Spawana stalowa rurka hydrauliczna

Skontaktuj się z nami

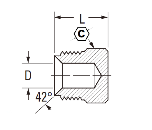
Specyfikacje

CZĘŚĆ#

Tube O.D

C

D

L

131-3

3/16 3/8 .188

.53

131-4

1/4 7/16 .188 .54

131-5

5/16 1/2 .250 .59

131-6

3/8 5/8 .312 .66

*Ref.sae nr 040109 BA

Nasze 131 serii mosiężnych odwróconych łączników linii hamulcowej są zaprojektowane specjalnie dla gazów i linii paliwowych. Odwrócona konstrukcja zapewnia bezduszne połączenie w ciasnych aplikacjach.
131 stalowa odwrócona wtyczka linii hamulcowej to kompatybilna z ogniem lub benzyna, odwrócona wtyczka w stylu klucza zaprojektowana do uszczelnienia końcowego końca elastycznej rurki. Jest wykonany ze stali splowanej cynkiem do odporności na korozję i zintegrowanej plastikowej wkładki, która oferuje wytrzymałość przeciwko zniekształceniu. Dostępne również z mosiężną budową.
Ten produkt to mosiężna i stalowa wtyczka z odwróconym dopasowaniem flara. Zostanie przyjęte do zaakceptowania 1/8 rurki. Wymiar ma głębokość 0,53 "o wartości 0,54", ten styl wtyczki może być stosowany tylko na rurce miedzi, stali i aluminiowej.
Gospodarka to często nazwa gry w aplikacjach linii hamulcowej. I nie ma lepszego sposobu na zaoszczędzenie pieniędzy niż w przypadku tej wtyczki linii, która utrzymuje świeże powietrze poza linami, ale wygląda świetnie i będzie trwać przez wiele lat. Ze stalową orzechą i mosiężną lufą z pewnością zaspokoi Twoje potrzeby.

Kontakt z nami

O Legines

Legines Industrial Machinery Inc.

Jako profesjonalni producenci wyposażenia z mosiądzu China i dostawcy wyposażenia. Przyjmuje pełną obróbkę CNC i jest właścicielem warsztatów o powierzchni 3600 metrów kwadratowych. 45 Automatyczne narzędzia maszynowe, 35 półautomatycznych narzędzi CNC, a także dystrybutorzy, którzy stali się ważnymi dostawcami do produkcji amerykańskich standardowych części mosiężnych w Chinach ...
  • honor
  • honor

INSTRUKCJE I wiadomości