legines.com
202 Odwrócone złącze płomienia męskie

202 Odwrócone złącze płomienia męskie

Funkcje produktu:
■■ Cała mosiężna konstrukcja
■■ UL wymienione dla łatwopalnych cieczy i gazu
■■ Spełnia wymagania funkcjonalne SAE J512
■■ Nutę stalową dla ekonomii

Rynki: Aplikacje:
■■ Klimatyzacja ■■ Linie czynników chłodniczych
■■ Morski ■■ Linie hamulcowe
■■ Przenośny ■■ Przewody paliwowe
■■ Silniki

Kompatybilne rurki:
■■ Miedź
■■ Mosiądz
■■ Aluminium
■■ Spawana stalowa rurka hydrauliczna

Część odniesienia nr:
2200 -48IFHD -202 -48W -200

Skontaktuj się z nami

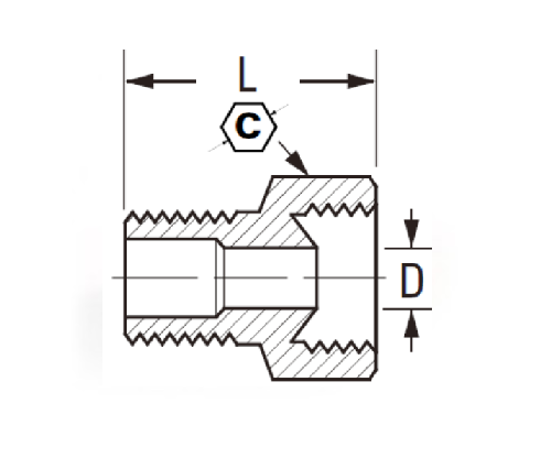
Specyfikacje

CZĘŚĆ#

Rurka O.D × Nić

C

D

L

202-2a

1/8 × 1/8 13/32 .078 .62

202-3a

3/16 × 1/8 15/32 .125 .70

202-4a

1/4 × 1/8 17/32 .188 .74

202-4b

1/4 × 1/4 9/16 .188 .89

202-5a

5/16 × 1/8 19/32 .219 .79

202-5b

5/16 × 1/4 19/32 .220 .98

202-6a

3/8 × 1/8 3/4 ..281 .89

202-6b

3/8 × 1/4 3/4 .281 1.03

202-6c

3/8 × 3/8 3/4 .281 1.01

202-8b

1/2 × 1/4 29.32 .406 1.08

202-8c

1/2 × 3/8 29/32 .406 1.07

202-8d

1/2 × 1/2 29/32 .406 1.26

202-10d

5/8 × 1/2 1-1/16 .531 1.32

202-12e

3/4 × 3/4 1-1/4 .625 1.39

*Ref.sae nr 040102 BA

W wielu aplikacjach można zastosować odwrócone wyposażenie flara. Te złączki są zbudowane z mosiądzu, co zapewnia trwałość i odporność na korozję. Zintegrowane uszczelki O-ring są używane w celu zapewnienia bezpłatnej wydajności. Dopasowanie SAE spełnia również wymagania SAE J512 dla systemów ciśnieniowych.
Oferujemy duży wybór wyposażenia rozbłysku, w tym Super-Duty, Industrial i Standard Rosebud. Nasze odwrócone wyposażenie flary są wykonane ze 100% mosiądzu, co czyni je idealnymi do wszystkich zastosowań przemysłowych.
Odwrócone złączki do płomienia służą do łączenia węży i rur z zaworami lub innymi urządzeniami. Składają się z nakrętki zaciskowej, montażu rurki i pierścienia blokującego. Nakręgka zaciska napina się na rurce i trzyma rurkę bezpiecznie na miejscu, a pierścień blokujący zapobiega wyłączeniu rurki podczas jej obsługi. Siła dokręcania jest wystarczająco duża, aby te złączki mogły być używane bez taśmy PTFE, ale nadal musisz smarować nici przed montażem.

Kontakt z nami

O Legines

Legines Industrial Machinery Inc.

Jako profesjonalni producenci wyposażenia z mosiądzu China i dostawcy wyposażenia. Przyjmuje pełną obróbkę CNC i jest właścicielem warsztatów o powierzchni 3600 metrów kwadratowych. 45 Automatyczne narzędzia maszynowe, 35 półautomatycznych narzędzi CNC, a także dystrybutorzy, którzy stali się ważnymi dostawcami do produkcji amerykańskich standardowych części mosiężnych w Chinach ...
  • honor
  • honor

INSTRUKCJE I wiadomości