legines.com
352 Mosiądzu odwrócony płomień 45 ° męski łokieć

352 Mosiądzu odwrócony płomień 45 ° męski łokieć

Funkcje produktu:
■■ Cała mosiężna konstrukcja
■■ UL wymienione dla łatwopalnych cieczy i gazu
■■ Spełnia wymagania funkcjonalne SAE J512
■■ Nutę stalową dla ekonomii

Rynki: Aplikacje:
■■ Klimatyzacja ■■ Linie czynników chłodniczych
■■ Morski ■■ Linie hamulcowe
■■ Przenośny ■■ Przewody paliwowe
■■ Silniki

Kompatybilne rurki:
■■ Miedź
■■ Mosiądz
■■ Aluminium
■■ Spawana stalowa rurka hydrauliczna

Część odniesienia nr:
154 -2352 -2599ifhd -352 -94W

Skontaktuj się z nami

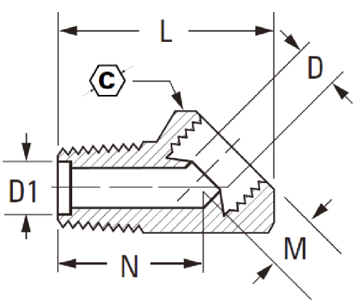
Specyfikacje

CZĘŚĆ#

Rurka O.D × Nić

C

D

L

352-3a

3/16 × 1/8 17/32 .125 .88

352-4a

1/4 × 1/8 9/16 .188 .94

352-5a

5/16 × 1/8 5/8 .219 1.00

352-5b

5/16 × 1/4 5/8 .219 1.16

352-6b

3/8 × 1/4 25/32 .281 1.34

352-8c

1/2 × 3/8 7/8 .406 1.44

*Ref.sae nr 040302 ba

352 mosiężna odwrócona płomień 45 ° męski łokieć (SAE J512) został zaprojektowany do użytku w klimatyzacji, linie chłodnicy, aplikacjach morskich i mobilnych. To łokieć ma męskie dopasowanie z nakrętką poślizgową dla łatwej instalacji. Łokieć płomienia SAE J512 45 stopni jest zbudowana z całego mosiądzu, z wyjątkiem orzechów stalowych, która zapewnia trwałość i przystępność cenową.
352 mosiężne odwrócone płomienie 45 ° męskie łokieć jest przeznaczone do gazów i cieczy i spełnia wymagania funkcjonalne SAE J512 w rozmiarze 1/8 "do 1". Mierzenie 0,94 ”w średnicy zewnętrznej.
To 3⁄16-calowe dopasowanie rurki i oferuje zgięcie łokcia 45˚.  To dopasowanie jest odpowiednie do standardowych aplikacji klimatyzacji, chłodzenia i hydraulicznych, a także branży mobilnej lub morskiej.

Kontakt z nami

O Legines

Legines Industrial Machinery Inc.

Jako profesjonalni producenci wyposażenia z mosiądzu China i dostawcy wyposażenia. Przyjmuje pełną obróbkę CNC i jest właścicielem warsztatów o powierzchni 3600 metrów kwadratowych. 45 Automatyczne narzędzia maszynowe, 35 półautomatycznych narzędzi CNC, a także dystrybutorzy, którzy stali się ważnymi dostawcami do produkcji amerykańskich standardowych części mosiężnych w Chinach ...
  • honor
  • honor

INSTRUKCJE I wiadomości