legines.com
72# Złączki kompresyjne Tee Branch Tee

72# Złączki kompresyjne Tee Branch Tee

Aplikacje: rynki:
■■ Linie powietrzne ■■ Przemysłowy
■■ Linie smarowania ■■ Opakowanie
■■ Linie chłodzące ■■ Pneumatyczny
■■ Przemysł ■■ Druk
■■ Maszyneria
■■ Sprężarki
■■ Transfer płynu

Funkcje produktu:
■■ Spełnia wymagania funkcjonalne SAE J-512
■■ UL wymienione dla łatwopalnych cieczy
■■ Dostępny mosiądz lub acetal
■■ Brak przygotowania rurki
■■ Sfałszowane i wytłaczone kształty

Część odniesienia nr:
72 -172c -S72 -72a

Skontaktuj się z nami

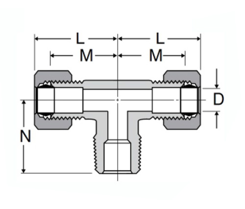
Specyfikacje

CZĘŚĆ#

Rurka o.d × męska nptf

M

N

D

72-3a

3/16 × 1/8

.63

.69

.125

72-4a

1/4 × 1/8

.63

.75

.188

72-4b

1/4 × 1/4

.69

.88

.188

72-5a

5/16 × 1/8

.72

.75

.250

72-5b

5/16 × 1/4

.75

.88

.250

72-6a

3/8 × 1/8

.75

.75

.312

72-6b

3/8 × 1/4

.79

.87

.312

72-6c

3/8 × 3/8

.88

1.00

.330

72-8C

1/2 × 3/8

.94

1.09

.406

72-8d

1/2 × 1/2

.97

1.19

.406

72-10d

5/8 × 1/2

1.06

1.31

.500

Wszystkie złączki kompresyjne są wytwarzane w celu spełnienia lub przekraczania wymagań funkcjonalnych SAE J-512 i UL wymienionych dla łatwopalnej cieczy. Są wykonane ze stopu aluminium, mosiądzu lub acetal. Nasze sfałszowane i wytłaczone kształty mają wysoki stopień odporności na uszkodzenia, które normalnie występowałyby w bardziej konwencjonalnych okucie. Zrobimy każdy kształt, który możesz sobie wyobrazić do maksymalnej średnicy 2 ”.
Złącze kompresyjne męskie koszulka odgałęziona to łącznik oddziału typu 90 ° do użytku z miedzią, stalą nierdzewną i rurą termoplastyczną. Łokieć obraca 360 °, aby ułatwić łączenie się z twardymi kątami i rurami.

Kontakt z nami

O Legines

Legines Industrial Machinery Inc.

Jako profesjonalni producenci wyposażenia z mosiądzu China i dostawcy wyposażenia. Przyjmuje pełną obróbkę CNC i jest właścicielem warsztatów o powierzchni 3600 metrów kwadratowych. 45 Automatyczne narzędzia maszynowe, 35 półautomatycznych narzędzi CNC, a także dystrybutorzy, którzy stali się ważnymi dostawcami do produkcji amerykańskich standardowych części mosiężnych w Chinach ...
  • honor
  • honor

INSTRUKCJE I wiadomości