legines.com
65# 90 ° Męskie elementy kompresyjne łokciowe

65# 90 ° Męskie elementy kompresyjne łokciowe

Aplikacje: rynki:
■■ Linie powietrzne ■■ Przemysłowy
■■ Linie smarowania ■■ Opakowanie
■■ Linie chłodzące ■■ Pneumatyczny
■■ Przemysł ■■ Druk
■■ Maszyneria
■■ Sprężarki
■■ Transfer płynu

Funkcje produktu:
■■ Spełnia wymagania funkcjonalne SAE J-512
■■ UL wymienione dla łatwopalnych cieczy
■■ Dostępny mosiądz lub acetal
■■ Brak przygotowania rurki
■■ Sfałszowane i wytłaczone kształty

Część odniesienia nr:
65 -265 -65a -S65

Skontaktuj się z nami

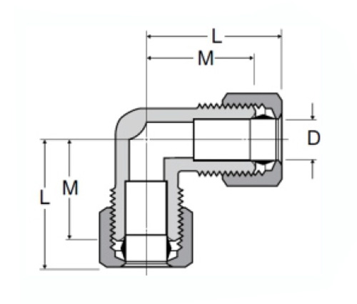
Specyfikacje

Prt# Rozmiar rurki o.d M D
65-3 3/16 .61 .125
65-4 1/4 .66 .188
65-5 5/16 .69 .250
65-6 3/8 .72 .312
65-8 1/2 .94 .406
65-10 5/8 1.06 .500
65-12 3/4 1.19 .562
65-6-4 3/8x1/4 .75/.69 .125
65-8-6 1/2x3/8 .94/.88 .312

Do 6 razy lżejszych niż kute złączki, seria 65 ma lekki i odporny na korozję korpus acetal lub mosiężny oraz kute mosiężne szpilka środkowa. To dopasowanie pozwala dostosować koniec rurki pod kątem 90 stopni. To dopasowanie jest dostępne w wielu materiałach i wykończeniach, w tym mosiądzu, stali nierdzewnej i acetal. Każde dopasowanie jest wytłoczone numerem części, zapewniając łatwą identyfikację we wszystkich punktach łańcucha dostaw. Ten podzespur łokcia jest zwykle stosowany w systemach paliwowych, w których zalecane są rurkę miedzianą do rurki miedzianej. Liczba gwintów wymaganych do wykonania połączenia może się różnić w zależności od materiału rurowego, grubości ściany i skoku gwintu.

Kontakt z nami

O Legines

Legines Industrial Machinery Inc.

Jako profesjonalni producenci wyposażenia z mosiądzu China i dostawcy wyposażenia. Przyjmuje pełną obróbkę CNC i jest właścicielem warsztatów o powierzchni 3600 metrów kwadratowych. 45 Automatyczne narzędzia maszynowe, 35 półautomatycznych narzędzi CNC, a także dystrybutorzy, którzy stali się ważnymi dostawcami do produkcji amerykańskich standardowych części mosiężnych w Chinach ...
  • honor
  • honor

INSTRUKCJE I wiadomości