legines.com
Adapter BSPP męski samica tee-1/4 wątek

Adapter BSPP męski samica tee-1/4 wątek

Adapter BSPP Męski TEE-1/4 Wątek 2070

Typowa aplikacja:
Smar, chłodzenie, oprzyrządowanie i systemy hydrauliczne.

Zalety:
Dryseal Rure Gwints (BSPT (R)/BSP (G). Large Zakres rozmiarów i konfiguracji

Skontaktuj się z nami

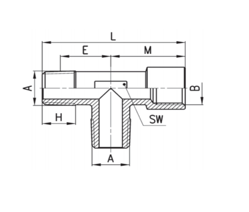
Specyfikacje

CZĘŚĆ#

Rozmiar wątku A × b

S.W

M

mi

2070-A

R1/8 × G1/8

11.6

19 15

2070-b

R1/4 × G1/4

16

23 20

2070-C

R3/8 × G3/8

20

25 20.5

2070-D

R1/2 × G1/2

23

31.5 24.5

Kontakt z nami

O Legines

Legines Industrial Machinery Inc.

Jako profesjonalni producenci wyposażenia z mosiądzu China i dostawcy wyposażenia. Przyjmuje pełną obróbkę CNC i jest właścicielem warsztatów o powierzchni 3600 metrów kwadratowych. 45 Automatyczne narzędzia maszynowe, 35 półautomatycznych narzędzi CNC, a także dystrybutorzy, którzy stali się ważnymi dostawcami do produkcji amerykańskich standardowych części mosiężnych w Chinach ...
  • honor
  • honor

INSTRUKCJE I wiadomości