legines.com
Niżrek zmniejszony niklu 2501

Niżrek zmniejszony niklu 2501

Niklowany sutek do podłączenia dwóch gwintowanych rur lub złączek i rozszerzania długości rury
-Male Npt Npt do łączenia się z rurami gwintowanymi żeńskimi
-Hexagonal środkowy odcinek do zaciskającego kluczem
-Brass dla odporności na korozję, ciągliwość w wysokich temperaturach i niską przepuszczalność magnetyczną

Typowa aplikacja:
Smar, chłodzenie, oprzyrządowanie i systemy hydrauliczne.

Zalety:
Dryseal Rure Gwints (BSPT (R)/BSP (G). Large zakres rozmiarów i konfiguracji

Skontaktuj się z nami

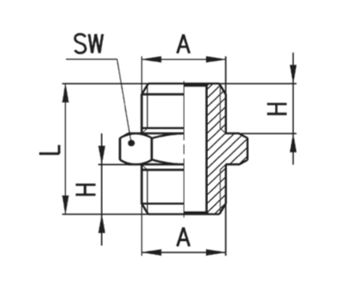
Specyfikacje

CZĘŚĆ#

Rozmiar wątku a

S.W

L

H

2501-m5

M5

8

11.5

4.0

2501-A

G1/8

13

16.5

6.0

2501-B

G1/4

17

21.0

8.0

2501-C

G3/8

19

23.0

9.0

2501-D

G1/2

24

25.5

10.0

Kontakt z nami

O Legines

Legines Industrial Machinery Inc.

Jako profesjonalni producenci wyposażenia z mosiądzu China i dostawcy wyposażenia. Przyjmuje pełną obróbkę CNC i jest właścicielem warsztatów o powierzchni 3600 metrów kwadratowych. 45 Automatyczne narzędzia maszynowe, 35 półautomatycznych narzędzi CNC, a także dystrybutorzy, którzy stali się ważnymi dostawcami do produkcji amerykańskich standardowych części mosiężnych w Chinach ...
  • honor
  • honor

INSTRUKCJE I wiadomości