legines.com
Zestawy sutków redukujących stal 2510

Zestawy sutków redukujących stal 2510

Włączać:
Zmniejszenie sutka sześciokątnego: 1 komputer;
Zmniejszenie adaptera: 1 PC;

Złącze rurowe są komponentami używanymi do łączenia, kończenia, kontrolowania przepływu i zmiany kierunku rur w wielu różnych branżach. Kupując złącze rurowe, rozważ zastosowanie, ponieważ wpłynie to na rodzaj materiału, kształt, rozmiar i wymaganą trwałość. Złącze są dostępne gwintowane lub nieznane, w wielu kształtach, stylach, rozmiarach i harmonogramach (grubość ściany rurowej).

Typowa aplikacja:
Smar, chłodzenie, oprzyrządowanie i systemy hydrauliczne.

Zalety:
Dryseal Rure Gwints (BSPT (R)/BSP (G). Large zakres rozmiarów i konfiguracji

Skontaktuj się z nami

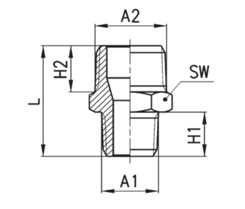
Specyfikacje

CZĘŚĆ#

Rozmiar wątku A1 × A2

S.W

L

H

2510-AB

R1/8 × R1/4

14

23.5

7.5

2510-AC

R1/8 × 3/8 17 24.0 7.5

2510-BC

R1/4 × R3/8

17

27.5

11.0

2510-BD

R1/4 × R1/2

22

30.5

11.0

2510-CD

R3/8 × R1.2

22

31.0

11.5

2510-de

R1/2 × R3/4

27

37.5

14.0

Kontakt z nami

O Legines

Legines Industrial Machinery Inc.

Jako profesjonalni producenci wyposażenia z mosiądzu China i dostawcy wyposażenia. Przyjmuje pełną obróbkę CNC i jest właścicielem warsztatów o powierzchni 3600 metrów kwadratowych. 45 Automatyczne narzędzia maszynowe, 35 półautomatycznych narzędzi CNC, a także dystrybutorzy, którzy stali się ważnymi dostawcami do produkcji amerykańskich standardowych części mosiężnych w Chinach ...
  • honor
  • honor

INSTRUKCJE I wiadomości