legines.com
Rura ze stali nierdzewnej sutek sześciokątny 2520

Rura ze stali nierdzewnej sutek sześciokątny 2520

Maksymalne ciśnienie robocze 150 psi przy 70 stopni F, materiał: 304 stal nierdzewna
Kształt: Tuleja reduktora (mężczyzna X kobieta), połączenie: NPT-NPT, Pomiar: Opcjonalnie
Nici NPT do tworzenia ciaśniejszych uszczelek niż wątki proste
Ma męskie gwinty NPT na jednym końcu, a żeńskie wątki NPT na drugim do łączenia się z kobietą i męską rurą lub złączką.
To dopasowanie adaptera łączy rury lub złączki z różnymi typami końcowymi, średnicami lub materiałami

Typowa aplikacja:
Smar, chłodzenie, oprzyrządowanie i systemy hydrauliczne.

Zalety:
Dryseal Rure Gwints (BSPT (R)/BSP (G). Large zakres rozmiarów i konfiguracji

Skontaktuj się z nami

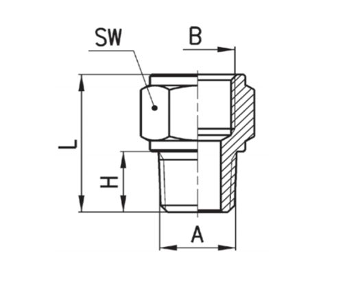
Specyfikacje

CZĘŚĆ#

Rozmiar wątku A × b

S.W

L

H

2520-AA

R1/8 × G1/8

13

17.5

7.5

2520-AB

R1/8 × G1/4 17 19.0 7.5

2520-AC

R1/8 × G3/8 20 20.0

7.5

2520-BB

R1/4 × G1/4 17 22.5 11.0
2520-BC R1/4 × G3/8 20 23.5 11.0
2520 BD R1/4 × G1/2 24 27.5 11.0
2520-cc R3/8 × G3/8 20 24.0 11.5

2520-CD

R3/8 × G1/2 24 28.0 11.5

2520-DD

R1/2 × G1/2 24 30.5 14.0

Rura ze stali nierdzewnej jest elastycznym materiałem, który może być wygięty i ukształtowany, aby pasował do wielu różnych rodzajów zastosowań hydraulicznych. Jest powszechnie stosowany do transportu cieczy, takich jak woda, powietrze, para i paliwo. Jednym z najczęstszych zastosowań rurociągów ze stali nierdzewnej są komercyjne kuchnie, w których urządzenia takie jak piece mają rurki ¾ cala lub 2-calowe do rozmieszczania ciepła w całej kuchni. Wiele domów mieszkalnych używa również ¾ cala miedzianej rury do swoich kranów zewnętrznych, co pozwala szybko przepływać wodę z linii zaopatrzenia do domu.

Kontakt z nami

O Legines

Legines Industrial Machinery Inc.

Jako profesjonalni producenci wyposażenia z mosiądzu China i dostawcy wyposażenia. Przyjmuje pełną obróbkę CNC i jest właścicielem warsztatów o powierzchni 3600 metrów kwadratowych. 45 Automatyczne narzędzia maszynowe, 35 półautomatycznych narzędzi CNC, a także dystrybutorzy, którzy stali się ważnymi dostawcami do produkcji amerykańskich standardowych części mosiężnych w Chinach ...
  • honor
  • honor

INSTRUKCJE I wiadomości