legines.com
3350# 45 stopni Street Elbow Mosiężne złączki rurowe

3350# 45 stopni Street Elbow Mosiężne złączki rurowe

Funkcje produktu: Rynki:
■■ Cała mosiężna konstrukcja ■■ Przemysłowy
■■ Spełnia wymagania funkcjonalne ■■ Budowa
SAE J530 i SAE J531 ■■ Ciężka ciężarówka
■■ Wątki wykonane zgodnie ze standardami Dryseal ■■ Przenośny
■■ Dostępne zarówno odkuwki, jak i zewnętrzne ■■ Automatyzacja fabryki/procesu

Zastosowania: Kompatybilne rurki:
■■ Linie powietrzne ■■ Miedź
■■ Linia wodna ■■ Mosiądz
■■ Linie chłodzące ■■ Żelazna rura

Specyfikacje:
Zakres ciśnienia do 1000 psi
Zakres temperatur -65˚ do 250˚F

Typowa aplikacja:
Smar, paliwa, LP i gaz ziemny, lodówka. Instrumentacja i systemy hydrauliczne

Zgodność:
Spełnia specyfikacje i standardy ASA, ASME i SAE.

Część odniesienia nr:
306 -3350 -2214p -224 -124a

Skontaktuj się z nami

Specyfikacje

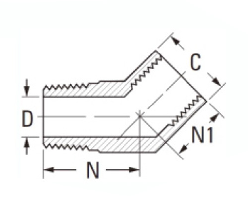
CZĘŚĆ# Rozmiar wątku C D N N1
3350-A 1/8 × 1/8 9/16 .219 .50 .38
3350-B 1/4 × 1/4 11/16 .315 .74 .56
3350-C 3/8 × 3/8 13/16 .438 .78 .56
3350-D 1/2 × 1/2 1 " .562 1.00 .76
3350-e 3/4 × 3/4 1 "-1/4 .750 1.06 .75

*Ref.sae nr 1130339

3350 to 45 -stopniowe dopasowanie łokcia ulicznego. Dopasowanie ma być używane z różnymi materiałami do rur i może wytrzymać do 1000 psi. Ma również zakres temperatur roboczych od -65 ° C i 250 ° F. nasze 45 -stopniowe wyposażenie mosiężnych rur łokciowych są dokonywane do dokładnych specyfikacji przez nasz zespół doświadczonych producentów. Łokcie uliczne to złącza do rury, która ma dwie gwinty rur na jednym końcu, a drugi koniec ma 90 ° zgięcie w rurze. Łokcie uliczne są używane w wielu różnych branżach, od hydraulicznych po transport. Łokcie uliczne są wykonane w konfiguracji żeńskiej lub męskiej w celu zwiększenia przepływu płynów lub gazów w zakresie ciśnienia, temperatur i wielkości linii w razie potrzeby klienta.

Kontakt z nami

O Legines

Legines Industrial Machinery Inc.

Jako profesjonalni producenci wyposażenia z mosiądzu China i dostawcy wyposażenia. Przyjmuje pełną obróbkę CNC i jest właścicielem warsztatów o powierzchni 3600 metrów kwadratowych. 45 Automatyczne narzędzia maszynowe, 35 półautomatycznych narzędzi CNC, a także dystrybutorzy, którzy stali się ważnymi dostawcami do produkcji amerykańskich standardowych części mosiężnych w Chinach ...
  • honor
  • honor

INSTRUKCJE I wiadomości