legines.com
3325# Zmniejszenie sześciokątnych złączek do rur sutkowych

3325# Zmniejszenie sześciokątnych złączek do rur sutkowych

Funkcje produktu: Rynki:
■■ Cała mosiężna konstrukcja ■■ Przemysłowy
■■ Spełnia wymagania funkcjonalne ■■ Budowa
SAE J530 i SAE J531 ■■ Ciężka ciężarówka
■■ Wątki wykonane zgodnie ze standardami Dryseal ■■ Przenośny
■■ Dostępne zarówno odkuwki, jak i zewnętrzne ■■ Automatyzacja fabryki/procesu

Zastosowania: Kompatybilne rurki:
■■ Linie powietrzne ■■ Miedź
■■ Linia wodna ■■ Mosiądz
■■ Linie chłodzące ■■ Żelazna rura

Specyfikacje:
Zakres ciśnienia do 1000 psi
Zakres temperatur -65˚ do 250˚F

Typowa aplikacja:
Smar, paliwa, LP i gaz ziemny, lodówka. Instrumentacja i systemy hydrauliczne

Zgodność:
Spełnia specyfikacje i standardy ASA, ASME i SAE.

Część odniesienia nr:
216p -3325 -379 -122ah -122b

Skontaktuj się z nami

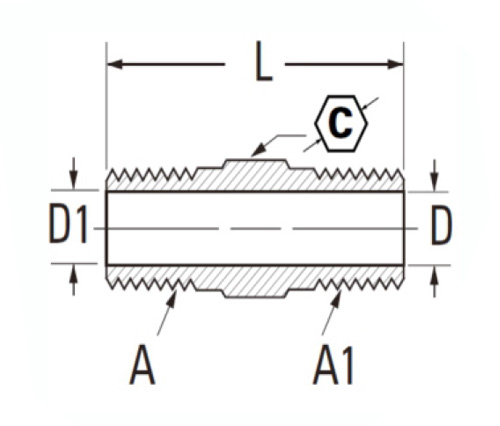
Specyfikacje

CZĘŚĆ#

Rozmiar wątku

C

D

D1

L

3325L-AA

1/8 × 1/8

7/16

.219

.219

.91

3325-AA

1/8 × 1/8

7/16

.219

.219

.97

3325L-ba

1/4 × 1/8

9/16

.219

.219

1.00

3325-ba

1/4 × 1/8

91/6

.312

.219

1.19

3325L-BB

1/4 × 1/4

9/16

.312

.312

1.12

3325-BB

1/4 × 1/4

9/16

.312

.312

1.38

3325L-CA

3/8 × 1/8

11/16

.438

.219

1.11

3325-CA

3/8 × 1/8

11/16

.438

.219

1.22

3325L-CB

3/8 × 1/4

11/16

.438

.312

1.19

3325-CB

3/8 × 1/4

11/16

.438

.312

1.41

3325L-CC

3/8 × 3/8

11/16

.438

.438

1.25

3325-CC

3/8 × 3/8

11/16

.438

.438

1.41

3325L-DB

1/2 × 1/4

7/8

.562

.319

1.34

3325-DB

1/2 × 1/4

7/8

.562

.319

1.62

3325L-DC

1/2 × 3/8

7/8

.562

.438

1.41

3325-DC

1/2 × 3/8

7/8

.562

.438

1.62

3325L-DD

1/2 × 1/2

7/8

.662

.662

1.50

3325-DD

1/2 × 1/2

7/8

.562

.562

1.81

3325-ED

3/4 × 1/2

1-1/16

.750

.562

1.50

3325-EE

3/4 × 3/4

1-1/16

.750

.750

1.96

3325-HH

1 "× 1"

1-3/8

.960

.960

2.30

* L: Światło

*Ref.sae nr 1130137

Nasze wyposażenie sześciokątne z serii 3325 są wykonane ze stopu mosiężnego, który jest w 100% wolny od ołowiu. Oferujemy zarówno odkuwki, jak i wysiłki tego dopasowania. Każdy sutek jest produkowany w celu spełnienia wymagań funkcjonalnych SAE J530 lub SAE J531, oba rynki ciężarówek o dużej służbie. Wykute sutki rurowe 3325 są dostępne zarówno w gwintach dużych, jak i standardowych rozmiarów. Te sutki są kompatybilne z miedzianymi, mosiężnymi i żelaznymi rurkami od ¼ ”do ½” harmonogramu 40. Nasi fabryczne inżynierowie sprzedaży pomogą Ci upewnić się, że masz odpowiednie dopasowanie do pracy! Seria 3325 redukująca mocowanie rur sutkowych służy do zmniejszenia rozmiarów rur o średnicy zewnętrznej. Seria 3325 zawiera odkuwki mosiężnej konstrukcji i są wyposażone w certyfikat NACE, a także oznaczenia stemplowania AWS i ASME z przodu. Dostępne w różnych ciśnieniach do 1000 psi.
Zmniejszenie złączek do rur sześciokątnych są idealne do większości zastosowań. Zapewniają kompaktowe projekty oszczędzające przestrzeń i służą do łączenia systemów rur. Te złącza męskie i żeńskie są wykonane z mocnych kutego mosiężnego materiałów i wyposażone w precyzyjne obrabiane gwinty, aby zapewnić płynne działanie.

Kontakt z nami

O Legines

Legines Industrial Machinery Inc.

Jako profesjonalni producenci wyposażenia z mosiądzu China i dostawcy wyposażenia. Przyjmuje pełną obróbkę CNC i jest właścicielem warsztatów o powierzchni 3600 metrów kwadratowych. 45 Automatyczne narzędzia maszynowe, 35 półautomatycznych narzędzi CNC, a także dystrybutorzy, którzy stali się ważnymi dostawcami do produkcji amerykańskich standardowych części mosiężnych w Chinach ...
  • honor
  • honor

INSTRUKCJE I wiadomości