legines.com
3152# mosiężne złączki rdzeniowe wtyczki sześciokątne

3152# mosiężne złączki rdzeniowe wtyczki sześciokątne

Funkcje produktu: Rynki:
■■ Cała mosiężna konstrukcja ■■ Przemysłowy
■■ Spełnia wymagania funkcjonalne ■■ Budowa
SAE J530 i SAE J531 ■■ Ciężka ciężarówka
■■ Wątki wykonane zgodnie ze standardami Dryseal ■■ Przenośny
■■ Dostępne zarówno odkuwki, jak i zewnętrzne ■■ Automatyzacja fabryki/procesu

Zastosowania: Kompatybilne rurki:
■■ Linie powietrzne ■■ Miedź
■■ Linia wodna ■■ Mosiądz
■■ Linie chłodzące ■■ Żelazna rura

Specyfikacje:
Zakres ciśnienia do 1000 psi
Zakres temperatur -65˚ do 250˚F

Typowa aplikacja:
Smar, paliwa, LP i gaz ziemny, lodówka. Instrumentacja i systemy hydrauliczne

Zgodność:
Spełnia specyfikacje i standardy ASA, ASME i SAE.

Część odniesienia nr:
218p -3152 -121a -103 -121b -pph -218p

Skontaktuj się z nami

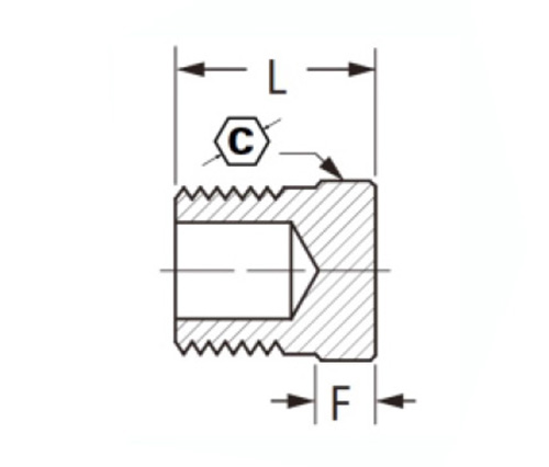
Specyfikacje

CZĘŚĆ#

Rozmiar wątku

C

F

L

3152-A

1/8

7/16

.19

.55

3152-B

1/4

9/16

.18

.62

3152-C

3/8

11/16

.22

.72

3152-D

1/2

7/8

.39

.87

3152-e

3/4

1-1/16

.56

.94

3152# mosiężne złączki rdzeniowe sześciokątne złącza do rury - ten produkt ma mosiężne konstrukcje, zastosowania przemysłowe oraz dostępne zarówno odkuwki i zewnętrzne. Te rdzeniowe wtyczki sześciokątne zostały wykonane ze standardami gwintu SAE J530/J531 do specyfikacji Dryseal. Są one kompatybilne z rurkami z cewki i mosiądzu 1/8 ". Są również kompatybilne z innymi materiałami, zakresami temperatur i zakresami ciśnienia. Jest to wtyczka sześciokątna z końcem sześciokątnym, więc można ją łatwo zainstalować na rurze sześciokątnej. Ma szeroki zakres zastosowań. Tolerancja to 3-grzbietowo-rozmiar stali nierdzewnej do przygotowania jedzenia (wybór koloru) cali (0-002 cali).

Kontakt z nami

O Legines

Legines Industrial Machinery Inc.

Jako profesjonalni producenci wyposażenia z mosiądzu China i dostawcy wyposażenia. Przyjmuje pełną obróbkę CNC i jest właścicielem warsztatów o powierzchni 3600 metrów kwadratowych. 45 Automatyczne narzędzia maszynowe, 35 półautomatycznych narzędzi CNC, a także dystrybutorzy, którzy stali się ważnymi dostawcami do produkcji amerykańskich standardowych części mosiężnych w Chinach ...
  • honor
  • honor

INSTRUKCJE I wiadomości