legines.com
3151# mosiężne złączki kwadratowe złącza rurowe

3151# mosiężne złączki kwadratowe złącza rurowe

Funkcje produktu: Rynki:
■■ Cała mosiężna konstrukcja ■■ Przemysłowy
■■ Spełnia wymagania funkcjonalne ■■ Budowa
SAE J530 i SAE J531 ■■ Ciężka ciężarówka
■■ Wątki wykonane zgodnie ze standardami Dryseal ■■ Przenośny
■■ Dostępne zarówno odkuwki, jak i zewnętrzne ■■ Automatyzacja fabryki/procesu

Zastosowania: Kompatybilne rurki:
■■ Linie powietrzne ■■ Miedź
■■ Linia wodna ■■ Mosiądz
■■ Linie chłodzące ■■ Żelazna rura

Specyfikacje:
Zakres ciśnienia do 1000 psi
Zakres temperatur -65˚ do 250˚F

Typowa aplikacja:
Smar, paliwa, LP i gaz ziemny, lodówka. Instrumentacja i systemy hydrauliczne

Zgodność:
Spełnia specyfikacje i standardy ASA, ASME i SAE.

Część odniesienia nr:
3151 -211p -109a -109b

Skontaktuj się z nami

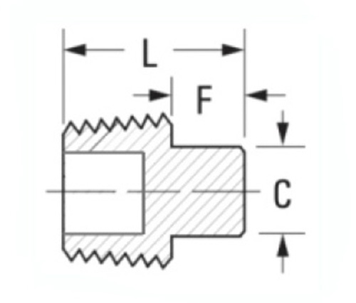
Specyfikacje

CZĘŚĆ#

Rozmiar wątku

C

F

L

3151-A

1/8

.28

.24

.58

3151-b

1/8

.37

.29

.80

*3151L-B

1/4

.37

.29

.80

3151-C

3/8

.43

.32

.80

3151L-C

3/8

.43

.32

.80

3151-D

1/2

.56

.39

1.07

*3151L-D

1/2

.56

.39

1.07

3151-e

3/4

.62

.43

1.11

*3151L-E

3/4

.62

.43

1.11

*Puste

Nasza seria 3151 oferuje pełną gamę złączek do lampy stosowanych w liniach powietrznych, liniach wodnych i systemach smarowania. Te mosiężne złączki są wytwarzane z materiałów SAE J530 i SAE J531, aby spełnić ciśnienie robocze i temperaturę dla niezawodnego życia. Złącze zawierają zarówno dostępne odkuwki, jak i zewnętrzne, a także odporne na korozję osłony splatania, które można pomalować na dowolnym standardowym standardzie OEM. Wszystkie mosiężne konstrukcje zapewniają doskonałą odporność i wytrzymałość korozji. To dopasowanie spełnia standard J530 i jest kompatybilny z gwintem rur Dryseal. Niezależnie od tego, czy budujesz nową linię powietrzną, czy zastępujesz starsze metalowe złączki nowoczesną technologią, te trwałe złączki pomogą ci dobrze wykonać zadanie.
Kwadratowe złączki wtyczki są wytwarzane z mosiądzu i mogą być używane w różnych zastosowaniach, w tym linie chłodzenia, linii wodnych, linii powietrza i połączeniach elektronicznych. Każde dopasowanie jest kompatybilne z rurką miedzianą lub rurą żelazną, a także z mosiężną rurką.

Kontakt z nami

O Legines

Legines Industrial Machinery Inc.

Jako profesjonalni producenci wyposażenia z mosiądzu China i dostawcy wyposażenia. Przyjmuje pełną obróbkę CNC i jest właścicielem warsztatów o powierzchni 3600 metrów kwadratowych. 45 Automatyczne narzędzia maszynowe, 35 półautomatycznych narzędzi CNC, a także dystrybutorzy, którzy stali się ważnymi dostawcami do produkcji amerykańskich standardowych części mosiężnych w Chinach ...
  • honor
  • honor

INSTRUKCJE I wiadomości