legines.com
72# mosiężne elementy kompresyjne

72# mosiężne elementy kompresyjne

Mosiężne elementy kompresyjne dla mężczyzn Run TEE 71

Aplikacje: rynki:
■■ Linie powietrzne ■■ Przemysłowy
■■ Linie smarowania ■■ Opakowanie
■■ Linie chłodzące ■■ Pneumatyczny
■■ Przemysł ■■ Druk
■■ Maszyneria
■■ Sprężarki
■■ Transfer płynu

Funkcje produktu:
■■ Spełnia wymagania funkcjonalne SAE J-512
■■ UL wymienione dla łatwopalnych cieczy
■■ Dostępny mosiądz lub acetal
■■ Brak przygotowania rurki
■■ Sfałszowane i wytłaczone kształty

71 -171c -71a -S71

Skontaktuj się z nami

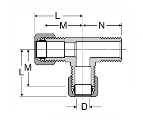
Specyfikacje

CZĘŚĆ#

Rurka O.D × Męska NPTF

M

N

D

71-3a

3/16 × 1/8

.63

.69

.125

71-4a

1/4 × 1/8

.63

.75

.188

71-4b

1/4 × 1/4

.69

.88

.188

71-5a

5/16 × 1/8

.72

.75

.250

71-5b

5/16 × 1/4

.75

.88

.250

71-6a

3/8 × 1/8

.75

.75

.312

71-6b

3/8 × 1/4

.79

.87

.312

71-6c

3/8 × 3/8

.88

1.00

.330

71-8c

1/2 × 3/8

.94

1.09

.406

71-8d

1/2 × 1/2

.97

1.19

.406

71-10d

5/8 × 1/2

1.06

1.31

.500

Nasze 72# mosiężne elementy kompresji TEE TEE spełniają funkcjonalne wymagania SAE J-512 i są wymienione na rzecz łatwopalnego cieczy. Te złączki nie mają preparatu rurki i są wykute i wytłaczane kształty. Są one dostępne w wielu materiałach, w tym mosiądzu, plastiku i metalowym rękawie. Posiada mosiądz lub acetal rękawy i może być stosowany w różnych zastosowaniach, takich jak podwozi, transmisje i systemy paliwowe. Nie jest wymagane przygotowanie rurki.

Kontakt z nami

O Legines

Legines Industrial Machinery Inc.

Jako profesjonalni producenci wyposażenia z mosiądzu China i dostawcy wyposażenia. Przyjmuje pełną obróbkę CNC i jest właścicielem warsztatów o powierzchni 3600 metrów kwadratowych. 45 Automatyczne narzędzia maszynowe, 35 półautomatycznych narzędzi CNC, a także dystrybutorzy, którzy stali się ważnymi dostawcami do produkcji amerykańskich standardowych części mosiężnych w Chinach ...
  • honor
  • honor

INSTRUKCJE I wiadomości