legines.com
79# Złącze kompresyjne Mosiądz 45 ° męski łokieć

79# Złącze kompresyjne Mosiądz 45 ° męski łokieć

Mosiężne 45 ° Męskie Łożysko Kompresyjne 79##

Aplikacje: rynki:
■■ Linie powietrzne ■■ Przemysłowy
■■ Linie smarowania ■■ Opakowanie
■■ Linie chłodzące ■■ Pneumatyczny
■■ Przemysł ■■ Druk
■■ Maszyneria
■■ Sprężarki
■■ Transfer płynu

Funkcje produktu:
■■ Spełnia wymagania funkcjonalne SAE J-512
■■ UL wymienione dla łatwopalnych cieczy
■■ Dostępny mosiądz lub acetal
■■ Brak przygotowania rurki
■■ Sfałszowane i wytłaczone kształty

Część odniesienia nr:
273 -179c -74 -77 -6945

Skontaktuj się z nami

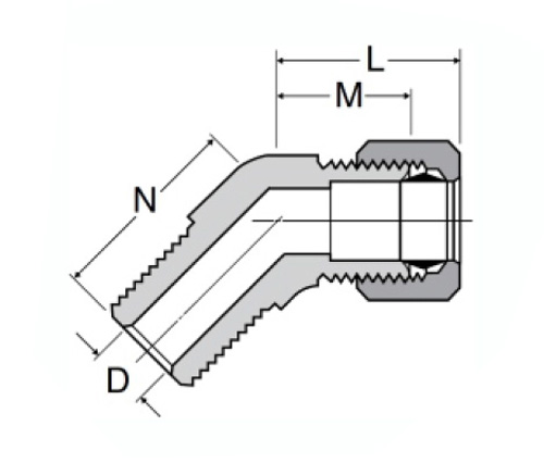
Specyfikacje

CZĘŚĆ#

Rurka o.d × męska nptf

N

M

D

79-3a

3/16 × 1/8

.61

.43

.125

79-4a

1/4 × 1/8

.61

.43

.189

79-4b

1/4 × 1/4

.83

.59

.189

79-5a

5/16 × 1/8

.66

.66

.234

79-5b

5/16 × 1/4

.83

.66

.250

79-6a

3/8 × 1/8

.66

.62

.312

79-6b

3/8 × 1/4

.83

.62

.312

79-6c

3/8 × 3/8

.88

.75

.312

79-8C

1/2 × 3/8

.94

.75

.406

79-8d

1/2 × 1/2

1.13

.94

.406

*REF.SAE No.060302 Ba

Złącze kompresyjne są wytwarzane z mosiądzu i montowane z uciskiem i nakrętką. Wykute, wytłaczone mandrery zapewniają siłę we wszystkich kierunkach do stałej instalacji.
Te złączki kompresyjne są idealne do rur hydraulicznych z gładkimi, standardowymi i zdemontażowymi końcami. Są one również wykorzystywane jako złącza rurowe w wielu różnych branżach, w tym w zastosowaniach komercyjnych, przemysłowych, motoryzacyjnych i morskich.

Kontakt z nami

O Legines

Legines Industrial Machinery Inc.

Jako profesjonalni producenci wyposażenia z mosiądzu China i dostawcy wyposażenia. Przyjmuje pełną obróbkę CNC i jest właścicielem warsztatów o powierzchni 3600 metrów kwadratowych. 45 Automatyczne narzędzia maszynowe, 35 półautomatycznych narzędzi CNC, a także dystrybutorzy, którzy stali się ważnymi dostawcami do produkcji amerykańskich standardowych części mosiężnych w Chinach ...
  • honor
  • honor

INSTRUKCJE I wiadomości