legines.com
1565 Push in Connect Issilings łokieć

1565 Push in Connect Issilings łokieć

Funkcje produktu:
■■ Mosiężne kolet
■■ Buna n O-ring
■■ Wsparcie rurki ze stali nierdzewnej
■■ Spotyka D.O.T. FMVSS571.106
■■ Spotyka SAE J2494 i SAE J2494-3

Rynki:
■■ Ciężka ciężarówka
■■ Przyczepa
■■ Przenośny

Zastosowania:
■■ Hamulce powietrzne
■■ Zbiorniki powietrza
■■ Air Ride
■■ Suwaki
■■ Inflacja opon
■■ Linie podstawowe i wtórne

Kompatybilne rurki:
■■ SAE J844 Typ A&B nylonowe rurki

Część odniesienia nr:
AQ65DOT -165PMT -1865 -DQ65DOT -1565 -DOT

Skontaktuj się z nami

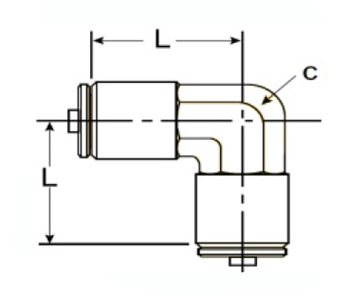
Specyfikacje

CZĘŚĆ# Tube O.D C L
1565-DOT-4 1/4 3/8 .92
1565-DOT-6 3/8 1/2 .96
1565-DOT-8 1/2 5/8 1.16
1565-DOT-10 5/8 11/16 1.19
1565-DOT-12 3/4 15/16 1.40

Push w dopasowaniu do rur nylonowych SAE J844 typu A, B, C i D. Stosowane z podporami BUNA O-ring i rurki ze stali nierdzewnej, aby umożliwić bezpieczną instalację węży, takich jak hamulce powietrzne, wspomaganie linii kierownicy i wiele innych. Dopasowanie jest wytwarzane z wysokiej jakości materiałów, aby zapewnić właściwą funkcjonalność i długą żywotność. 1565 Push in Connect Importings Elbow to dopasowanie z gumową rurką. Ma mosiężne colet. To dopasowanie jest wytwarzane przez TUSA P/N: 1565-DOT. Pneumatyczne łączniki łączące są używane w połączeniu z rurkami do utworzenia bez barier, stałego lub tymczasowego zespołu wykorzystującego standardowe komponenty pneumatyczne.

Kontakt z nami

O Legines

Legines Industrial Machinery Inc.

Jako profesjonalni producenci wyposażenia z mosiądzu China i dostawcy wyposażenia. Przyjmuje pełną obróbkę CNC i jest właścicielem warsztatów o powierzchni 3600 metrów kwadratowych. 45 Automatyczne narzędzia maszynowe, 35 półautomatycznych narzędzi CNC, a także dystrybutorzy, którzy stali się ważnymi dostawcami do produkcji amerykańskich standardowych części mosiężnych w Chinach ...
  • honor
  • honor

INSTRUKCJE I wiadomości