legines.com
24 m kolektora Presto

24 m kolektora Presto

Funkcje produktu:
■■ Mosiężne kolet
■■ Buna n O-ring
■■ Wsparcie rurki ze stali nierdzewnej
■■ Spotyka D.O.T. FMVSS571.106
■■ Spotyka SAE J2494-3
■■ Ciało kompozytowe - silny, lekki, zwarty i odporny na uderzenie
■■ Konfiguracje wtyczki

Rynki:
■■ Ciężka ciężarówka
■■ Przyczepa
■■ Przenośny

Zastosowania:
■■ Hamulce powietrzne
■■ Zbiorniki powietrza
■■ Air Ride
■■ Suwaki
■■ Inflacja opon
■■ Linie podstawowe i wtórne
■■ Cab kontroluje

Skontaktuj się z nami

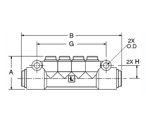
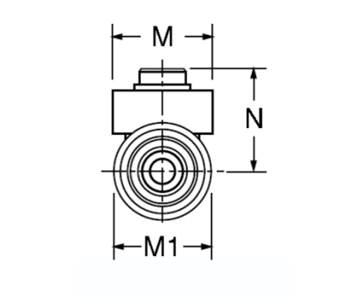
Specyfikacje

CZĘŚĆ

NIE.

Tube O.D

lnlet

Tube O.D

Wylot

A B D G H M M1 N
24m-4-4 1/4 1/4 1.33 3.98 .21 2.75 .53 .90 .88 .89
24m-6-4 3/8 1/4 1.33 4.00 .21 2.75 .53 .90 .88 .89
24m-6-6 3/8 3/8 1.65 6.49 .22 4.55 .60 1.02 1.02 1.33
24m-8-8 1/2 1/2 1.65 6.49 .22 4.55 .60 1.02 1.02 1.33
24M-8-6-4-4-6-8 1/2 3/8 i 1/4 1.65 6.49 .22 4.55 .60 1.02 1.02 1.17

24M Presto kolektor jest zbudowany, aby zapewnić łatwą, szybką i niezawodną obsługę. Ciało kompozytowe z silną, lekką, odporną na uderzenie i kompaktową konstrukcję zapewnia siłę przy jednoczesnym zmniejszeniu objętości. 24-metrowy kolektor Presto został zaprojektowany w celu spełnienia wymagań D.O.T FMVSS571.106, SAE J2494-3 dla zastosowań wysokiego ciśnienia. Jego możliwości plug & odtwarzania pozwalają na maksymalną wszechstronność w dowolnej aplikacji.

Kontakt z nami

O Legines

Legines Industrial Machinery Inc.

Jako profesjonalni producenci wyposażenia z mosiądzu China i dostawcy wyposażenia. Przyjmuje pełną obróbkę CNC i jest właścicielem warsztatów o powierzchni 3600 metrów kwadratowych. 45 Automatyczne narzędzia maszynowe, 35 półautomatycznych narzędzi CNC, a także dystrybutorzy, którzy stali się ważnymi dostawcami do produkcji amerykańskich standardowych części mosiężnych w Chinach ...
  • honor
  • honor

INSTRUKCJE I wiadomości