legines.com
3750# mosiężne złączki męskie z mosiężną rurą

3750# mosiężne złączki męskie z mosiężną rurą

Funkcje produktu: Rynki:
■■ Cała mosiężna konstrukcja ■■ Przemysłowy
■■ Spełnia wymagania funkcjonalne ■■ Budowa
SAE J530 i SAE J531 ■■ Ciężka ciężarówka
■■ Wątki wykonane zgodnie ze standardami Dryseal ■■ Przenośny
■■ Dostępne zarówno odkuwki, jak i zewnętrzne ■■ Automatyzacja fabryki/procesu

Zastosowania: Kompatybilne rurki:
■■ Linie powietrzne ■■ Miedź
■■ Linia wodna ■■ Mosiądz
■■ Linie chłodzące ■■ Żelazna rura

Specyfikacje:
Zakres ciśnienia do 1000 psi
Zakres temperatur -65˚ do 250˚F

Typowa aplikacja:
Smar, paliwa, LP i gaz ziemny, lodówka. Instrumentacja i systemy hydrauliczne

Zgodność:
Spełnia specyfikacje i standardy ASA, ASME i SAE.

Część odniesienia nr:
2225p -225 -3750 -326 -225 -127A -28245 ~ 28249

Skontaktuj się z nami

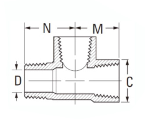
Specyfikacje

CZĘŚĆ#

Rozmiar wątku

C

D

M

N

3750-A

1/8

9/16

.219

.55

.66

3750-B

1/4

11/16

.312

.78

.90

3750-C

3/8

13/16

.438

.84

.97

3750-D

1/2

1 "

.562

1.09

1.25

3750-e

3/4

1 "-1/4

.750

1.38

1.38

*Ref.sae.NO.130424

#3750 Mężczyzn Run TEE są produkowane z mosiądzu i zaspokajają potrzeby przemysłowej, fabrycznej/procesowej automatyzacji i aplikacji mobilnych. Zapewniają połączenie dla linii powietrznych pod ciśnieniem. Kompatybilne rurki są dostępne w rurce miedzi, mosiądzu i żelaznej. Rynki obejmują budownictwo, rynki ciężarówek przemysłowych i wytrzymałych. Kompatybilne materiały obejmują linie powietrzne, linie wodne i linie chłodzące. Te mosiężne złączki są dla mężczyzn i kobiet dla wygody. Materiały są wystarczająco silne, aby wstać, aby wycieki i siłę, co czyni je idealnymi dla każdego stanu pogodowego.  Każde dopasowanie jest wykonane z miedzianych rur, mosiądzu i innych materiałów wysokiej jakości, które przynoszą do utworu siłę, trwałość i długowieczność.

Kontakt z nami

O Legines

Legines Industrial Machinery Inc.

Jako profesjonalni producenci wyposażenia z mosiądzu China i dostawcy wyposażenia. Przyjmuje pełną obróbkę CNC i jest właścicielem warsztatów o powierzchni 3600 metrów kwadratowych. 45 Automatyczne narzędzia maszynowe, 35 półautomatycznych narzędzi CNC, a także dystrybutorzy, którzy stali się ważnymi dostawcami do produkcji amerykańskich standardowych części mosiężnych w Chinach ...
  • honor
  • honor

INSTRUKCJE I wiadomości