legines.com
3600# mosiężne złączki do oddziału mosiężne okucia rurowe

3600# mosiężne złączki do oddziału mosiężne okucia rurowe

Funkcje produktu: Rynki:
■■ Cała mosiężna konstrukcja ■■ Przemysłowy
■■ Spełnia wymagania funkcjonalne ■■ Budowa
SAE J530 i SAE J531 ■■ Ciężka ciężarówka
■■ Wątki wykonane zgodnie ze standardami Dryseal ■■ Przenośny
■■ Dostępne zarówno odkuwki, jak i zewnętrzne ■■ Automatyzacja fabryki/procesu

Zastosowania: Kompatybilne rurki:
■■ Linie powietrzne ■■ Miedź
■■ Linia wodna ■■ Mosiądz
■■ Linie chłodzące ■■ Żelazna rura

Specyfikacje:
Zakres ciśnienia do 1000 psi
Zakres temperatur -65˚ do 250˚F

Typowa aplikacja:
Smar, paliwa, LP i gaz ziemny, lodówka. Instrumentacja i systemy hydrauliczne

Zgodność:
Spełnia specyfikacje i standardy ASA, ASME i SAE.

Część odniesienia nr:
2224p -3600 -T9 -x106 -226 -329 -128 -28281 ~ 28285

Skontaktuj się z nami

Specyfikacje

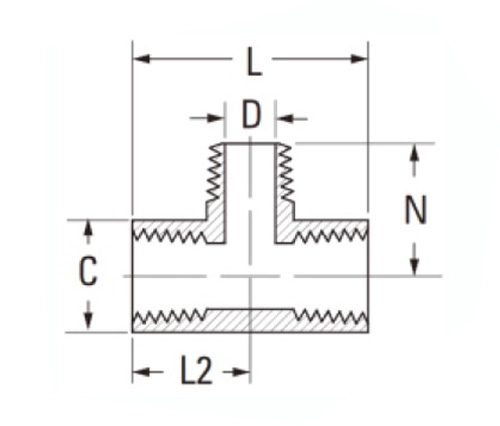
CZĘŚĆ# Rozmiar wątku C D L2 N
3600-A F1/8 × M1/8 9/16 .219 1.10 .66
3600-B F1/4 × M1/4 11/16 .315 1.56 .91
3600-C F3/8 × M3/8 13/16 .438 1.68 .97
3600-D F1/2 × M1/2 1 " .562 2.18 1.25
3600-e F3/4 × M3/4 1 "-1/4 .750 2.31 1.38

*Ref.sae nr130425

Złącze koszulki o dużej służbie są wykonane ze standardów mosiądzu o ciężkim manometrze, produkowanym do standardów SAE J530 i SAE J531. Są one dostępne zarówno w odkuwkach, jak i wytłaczaniach, co daje nam wszechstronność, aby zapewnić naszym klientom szeroką gamę opcji. Te-tee odgałęzione, skonstruowane zarówno z ocenami ciśnienia, jak i temperatury, są odpowiednie do stosowania w praktycznie każdym procesie przemysłowym. Obie marki rur mogą być z powodzeniem stosowane przy tym dopasowaniu. Nasza linia złączek miedzi i mosiężnych oddziałów zapewnia najwyższą jakość i niezawodną wydajność w najszerszym zakresie zastosowań. Nasi wykwalifikowani inżynierowie mogą pomóc Ci wybrać najlepszy produkt lub zaprojektować system, aby zaspokoić Twoje konkretne potrzeby.

Kontakt z nami

O Legines

Legines Industrial Machinery Inc.

Jako profesjonalni producenci wyposażenia z mosiądzu China i dostawcy wyposażenia. Przyjmuje pełną obróbkę CNC i jest właścicielem warsztatów o powierzchni 3600 metrów kwadratowych. 45 Automatyczne narzędzia maszynowe, 35 półautomatycznych narzędzi CNC, a także dystrybutorzy, którzy stali się ważnymi dostawcami do produkcji amerykańskich standardowych części mosiężnych w Chinach ...
  • honor
  • honor

INSTRUKCJE I wiadomości