legines.com
3500# mosiężne złączki 90 stopni Rurki łokciowe

3500# mosiężne złączki 90 stopni Rurki łokciowe

Funkcje produktu: Rynki:
■■ Cała mosiężna konstrukcja ■■ Przemysłowy
■■ Spełnia wymagania funkcjonalne ■■ Budowa
SAE J530 i SAE J531 ■■ Ciężka ciężarówka
■■ Wątki wykonane zgodnie ze standardami Dryseal ■■ Przenośny
■■ Dostępne zarówno odkuwki, jak i zewnętrzne ■■ Automatyzacja fabryki/procesu

Zastosowania: Kompatybilne rurki:
■■ Linie powietrzne ■■ Miedź
■■ Linia wodna ■■ Mosiądz
■■ Linie chłodzące ■■ Żelazna rura

Specyfikacje:
Zakres ciśnienia do 1000 psi
Zakres temperatur -65˚ do 250˚F

Typowa aplikacja:
Smar, paliwa, LP i gaz ziemny, lodówka. Instrumentacja i systemy hydrauliczne

Zgodność:
Spełnia specyfikacje i standardy ASA, ASME i SAE.

Część odniesienia nr:
2200P -3500 -302 -200 -28001 do 28005 -100

Skontaktuj się z nami

Specyfikacje

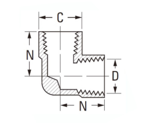
CZĘŚĆ# Rozmiar wątku C D N N
3500-A 1/8 × 1/8 9/16 .219 .66 .47
3500-B 1/4 × 1/4 11/16 .315 .91 .72
3500-C 3/8 × 3/8 13/16 .438 .97 .78
3500-D 1/2 × 1/2 1 " .562 1.25 1.03
3500-e 3/4 × 3/4 1 "-1/4 .750 1.38 1.12

Ref.sae No.130238

Wykonane z mosiądzu nasze 90-stopniowe łokcie są produkowane w celu zaspokojenia potrzeb zastosowań przemysłowych i budowlanych. Wykute mosiądz jest bardziej trwałe, trudniejsze i rzadziej zginają niż produkty wytłaczane. Nasze złączki brązowe mają również lepszą odporność na wstrząs i wibracje. Oferujemy zarówno sfałszowane, jak i wytłaczone wyposażenie rur dla projektów we wszystkich zastosowaniach branżowych, w tym linii powietrznych, liniach wodnych, liniach chłodzących i innych. Mosiężne elementy są produkowane z najwyższej jakości standardów. Od procesu kucia po gwintowanie i końcowe wykończenie, każdy etap jest sprawdzany za pomocą narzędzi precyzyjnych. Te złączki spełniają wymagania funkcjonalne SAE J530 i SAE J531, a jednocześnie są kompatybilne ze standardem SAE SAE J514 i ASME B16.21. Produkowane są łokcie o wysokiej jakości mosiądz, zapewniając silną i trwałą strukturę. Oferujemy zarówno opcje montażu fabryki, jak i ciężarówek z dwoma różnymi konfiguracjami Barb, aby pomieścić rozmiary rur z dużymi otworami. Niezależnie od tego, czy szukasz zamiennika, czy chcesz zaktualizować swój system, Crouse-Hinds może pomóc.

Kontakt z nami

O Legines

Legines Industrial Machinery Inc.

Jako profesjonalni producenci wyposażenia z mosiądzu China i dostawcy wyposażenia. Przyjmuje pełną obróbkę CNC i jest właścicielem warsztatów o powierzchni 3600 metrów kwadratowych. 45 Automatyczne narzędzia maszynowe, 35 półautomatycznych narzędzi CNC, a także dystrybutorzy, którzy stali się ważnymi dostawcami do produkcji amerykańskich standardowych części mosiężnych w Chinach ...
  • honor
  • honor

INSTRUKCJE I wiadomości