legines.com
3400# mosiężne złączki do rur 90 stopni łokcia uliczne

3400# mosiężne złączki do rur 90 stopni łokcia uliczne

Funkcje produktu: Rynki:
■■ Cała mosiężna konstrukcja ■■ Przemysłowy
■■ Spełnia wymagania funkcjonalne ■■ Budowa
SAE J530 i SAE J531 ■■ Ciężka ciężarówka
■■ Wątki wykonane zgodnie ze standardami Dryseal ■■ Przenośny
■■ Dostępne zarówno odkuwki, jak i zewnętrzne ■■ Automatyzacja fabryki/procesu

Zastosowania: Kompatybilne rurki:
■■ Linie powietrzne ■■ Miedź
■■ Linia wodna ■■ Mosiądz
■■ Linie chłodzące ■■ Żelazna rura

Specyfikacje:
Zakres ciśnienia do 1000 psi
Zakres temperatur -65˚ do 250˚F

Typowa aplikacja:
Smar, paliwa, LP i gaz ziemny, lodówka. Instrumentacja i systemy hydrauliczne

Zgodność:
Spełnia specyfikacje i standardy ASA, ASME i SAE.

Część odniesienia nr:
2202p -3400 -304 -115 -202 -116A -28156 do 2816

Skontaktuj się z nami

Specyfikacje

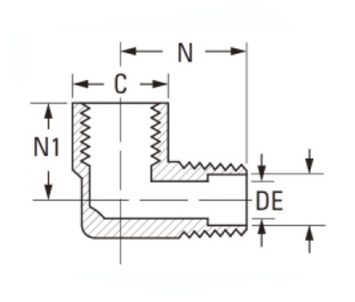
CZĘŚĆ# Rozmiar wątku C D N N1
3400-AA 1/8 × 1/8 9/16 .219 .66 .47
3400-BB 1/4 × 1/4 11/16 .315 .91 .72
3400-CC 3/8 × 3/8 13/16 .438 .97 .78
3400-DD 1/2 × 1/2 1 " .562 1.25 1.03
3400-EE 3/4 × 3/4 1-1/4 .750 1.38 1.12

Ref.sae No.130239

3400# Mosiężne wyposażenie rur 90 stopni łokcia uliczne są wykonane ze wszystkich mosiężnych konstrukcji i kompatybilne zarówno z odkuwkami, jak i wytłaczaniami; Złącza klasy przemysłowej, które spełniają wymagania funkcjonalne SAE J530 i SAE J531; Rynek: budownictwo, ciężkie ciężarówki i telefon komórkowy. Oba standardy są przestrzegane w aplikacjach mobilnych, które są gumy termoplastyczne (TPR) zostały opracowane do zastosowania w aplikacjach motoryzacyjnych, przemysłowych i komercyjnych, w których CPVC jest niekompatybilne. Łokcie uliczne 90 stopni 90 stopni jest odpowiednie do stosowania w systemach hydraulicznych, szczególnie w przypadku ekstremalnego ciśnienia. Jest dostępny w szerokim zakresie rozmiarów i ma wyjątkową odporność na korozję. To dopasowanie służy do łączenia linii powietrza, które składają się z rurki miedzianej. Ma kąt 90 stopni i jest wykonany z mosiądzu, dzięki czemu może wytrzymać trudne warunki pogodowe.

Kontakt z nami

O Legines

Legines Industrial Machinery Inc.

Jako profesjonalni producenci wyposażenia z mosiądzu China i dostawcy wyposażenia. Przyjmuje pełną obróbkę CNC i jest właścicielem warsztatów o powierzchni 3600 metrów kwadratowych. 45 Automatyczne narzędzia maszynowe, 35 półautomatycznych narzędzi CNC, a także dystrybutorzy, którzy stali się ważnymi dostawcami do produkcji amerykańskich standardowych części mosiężnych w Chinach ...
  • honor
  • honor

INSTRUKCJE I wiadomości