legines.com
64# mosiężne złączki kompresyjne

64# mosiężne złączki kompresyjne

Mosiężne złącze kompresyjne z Unii 64#

Aplikacje: rynki:
■■ Linie powietrzne ■■ Przemysłowy
■■ Linie smarowania ■■ Opakowanie
■■ Linie chłodzące ■■ Pneumatyczny
■■ Przemysł ■■ Druk
■■ Maszyneria
■■ Sprężarki
■■ Transfer płynu

Funkcje produktu:
■■ Spełnia wymagania funkcjonalne SAE J-512
■■ UL wymienione dla łatwopalnych cieczy
■■ Dostępny mosiądz lub acetal
■■ Brak przygotowania rurki
■■ Sfałszowane i wytłaczone kształty

Część odniesienia nr:
64 -164C -S64 -64a

Skontaktuj się z nami

Specyfikacje

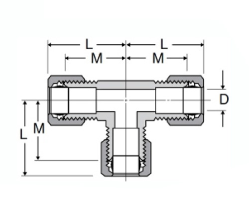
CZĘŚĆ#

Rozmiar rurki o.d

M

M

D

64-2

1/8

/

.53

.94

64-3

3/16

/

.59

.125

64-4

1/4

/

.627

.188

64-5

5/16

/

.65

.250

64-6

3/8

/

.73

.312

64-8

1/2

/

.94

.406

64-10

5/8

/

1.06

.500

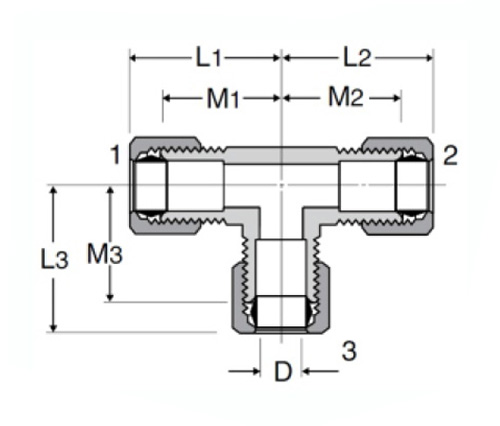
CZĘŚĆ#

Rozmiar rurki

M1

M2

M3

64-4-4-6

1/4x1/4x3/8

.69

.69

.75

64-4-6-4

1/4x3/8x1/4

.69

.75

.69

64-6-6-4

3/8x3/8x1/4

.75

.75

.69

64-8-8-6

1/2x1/2x3/8

.94

.94

.81

64-10-10-8

5/8x5/8x1/2

1.06

1.06

1.06

*REF.SAE No.060401 Ba

Nasze 64 mosiężne złącze na ściskanie unijne są wymienione na UL pod kątem łatwopalnego cieczy i spełniają wymagania funkcjonalne SAE J-512. Dostępne w kształtnych lub wytłaczanych kształtach, są one dostępne zarówno z niciami obrabianymi, jak i gniazdowymi oraz w mosiężnym lub acetalowym rękawie. Dostępne z rękawami mosiężnymi lub acetalnymi, wszystkie komponenty są przeznaczone do łatwej instalacji, więc instalacja przebiega gładko.

Kontakt z nami

O Legines

Legines Industrial Machinery Inc.

Jako profesjonalni producenci wyposażenia z mosiądzu China i dostawcy wyposażenia. Przyjmuje pełną obróbkę CNC i jest właścicielem warsztatów o powierzchni 3600 metrów kwadratowych. 45 Automatyczne narzędzia maszynowe, 35 półautomatycznych narzędzi CNC, a także dystrybutorzy, którzy stali się ważnymi dostawcami do produkcji amerykańskich standardowych części mosiężnych w Chinach ...
  • honor
  • honor

INSTRUKCJE I wiadomości